Home> Product > Delta Robot

Delta D5-P-1600-P25

High speed | High precision | High stability
INTRODUCTION

The 5-axis robot adds two parallel rotating axes based on the traditional three-axis parallel robot. One axis controls the horizontal rotation and the other axis controls the vertical rotation. The two intermediate axes are controlled by servo coupling, which has higher precision, faster speed and longer service life.

FEATURE

1. With 3+2 degrees of freedom, it can easily handle complex placement scenes. 2. The standard cycle time is less than 0.5s, meeting the needs of pursuing the highest speed and the smallest volume. 3. The special rotating axis hinge design can easily cope with the needs of high-intensity and high-frequency repeated movements. 4. It is very suitable for high-speed and high-precision production operations in narrow spaces, 3C manufacturing and other industries, and is mainly used for the assembly, handling, and inspection of small workpieces.

Consult
Dual-axis drive achieves flat grip and flip performance

SPECIFICATION

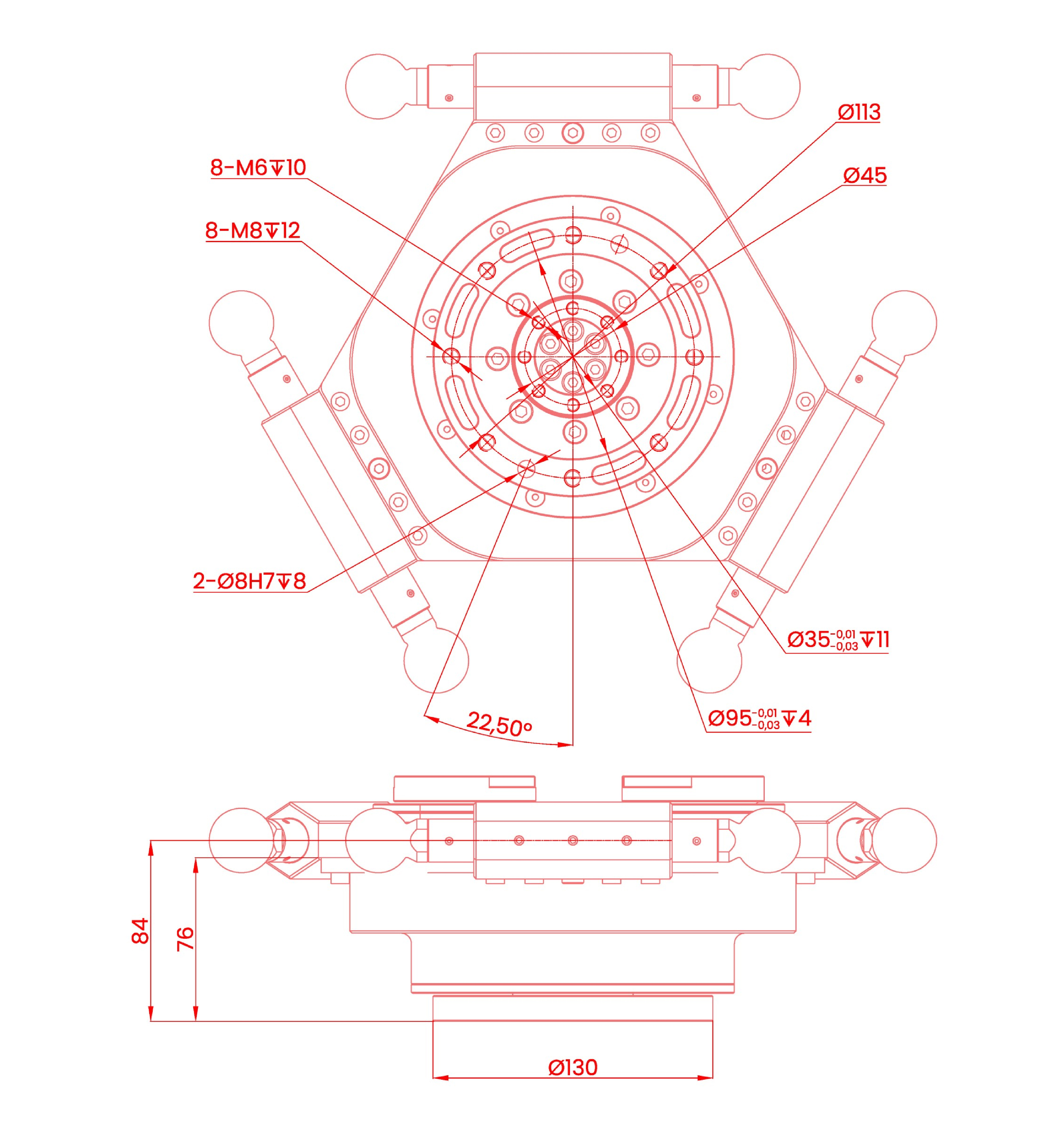
DRAWING

  • 01.Size and Working Range(mm)

  • 02.Flange(mm)

  • 03.Base(mm)

Learn More Delta D5-P-1600-P25

D5-P-1600-P25